• M8 4P 公/母
  • M8 4P 公/母
  • M8 4P 公/母
  • M8 4P 公/母
  • M8 4P 公/母

M8 4P 公/母

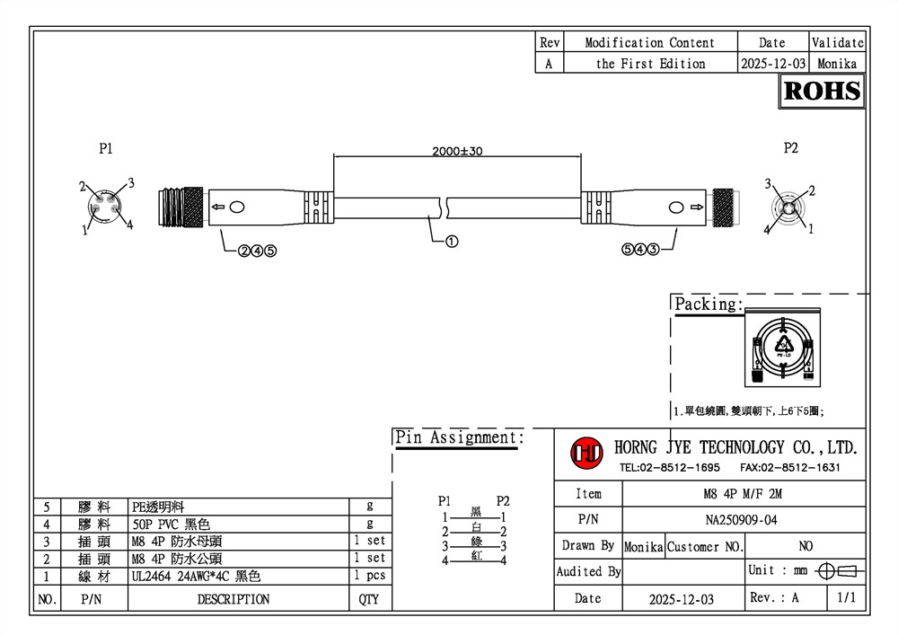
型號 : AIP-0804-1001

M8 4-Pin 防水接頭的規格

M8 連接器通常遵循 IEC 61076-2-101 標準。以下是一些常見的規格:

●     尺寸:

○     螺紋直徑 (M8) 8mm,這決定了它是一種緊湊型連接器,適合空間有限的應用。

●     接點數量: 4Pin (4個針腳)

●     防水等級 (IP Rating)

○     最常見的是 IP67。這表示它能完全防塵,並可在水深達 1 公尺處浸泡 30 分鐘而不進水。

○     部分更高階的產品可能達到 IP68,表示可在特定壓力和時間下,更長時間浸沒於水中。

●     額定電壓: 通常為 30V 60V (AC/DC),具體取決於產品設計和製造商。

●     額定電流: 通常為 1.5A 2A,部分型號也可能達到 3A 4A,這取決於線規 (AWG) 和接點材質。

●     編碼 (Coding) M8 連接器常見 A-coded。不同編碼會影響接點排列和防止誤插。

●     線規 (Wire Gauge) 常見為 24AWG 26AWG,這會影響其電流承載能力。

●     線纜材質: 常見的線纜外被材質有 PVC (聚氯乙烯) PUR (聚氨酯)PUR 通常更耐磨、耐油、耐化學品,適用於更嚴苛的工業環境。

●     連接方式: 螺紋鎖定 (Threaded coupling),確保連接牢固且抗震動。

●     工作溫度: 通常在 -25°C +85°C -40°C +105°C 之間,具體視材料而定。

●     插拔壽命: 通常可達 500 次或更多。

●     外殼材料: 黃銅鍍鎳、不鏽鋼、或高強度工程塑料 (如尼龍+GF)

●     接觸點材料: 通常是銅合金,表面鍍金以提高導電性和耐腐蝕性。

M8 4-Pin 防水接頭的用途

M8 連接器因其緊湊、堅固和防水的特性,廣泛應用於工業自動化和各種惡劣環境中,特別適合需要傳輸信號或較小功率的場合。

主要用途包括:

1.    感測器連接: 這是 M8 連接器最主要的應用。用於連接各種小型感測器,如:

○     接近開關 (Proximity Sensors)

○     光電開關 (Photoelectric Sensors)

○     限位開關 (Limit Switches)

○     流量計 (Flow Meters)

○     溫度感測器 (Temperature Sensors)

○     壓力感測器 (Pressure Sensors)

○     編碼器 (Encoders)

○     雷射感測器

2.    致動器連接: 用於連接小型致動器,如:

○     電磁閥 (Solenoid Valves)

○     小型步進馬達 (Stepper Motors)

3.    工業自動化與控制系統:

○     連接到 PLC (可程式邏輯控制器) I/O 模組。

○     用於機器人、自動化生產線中的訊號傳輸。

○     在工業攝像頭、視覺系統中傳輸數據。

4.    惡劣環境應用:

○     在食品飲料加工製藥等潮濕、需要經常清洗的環境。

○     在戶外設備交通運輸 (如火車、汽車上的感測器和燈具) 中。

○     在風力發電太陽能設備等需要耐受天氣變化的場景。

○     用於有油污、灰塵、振動或化學腐蝕的工業場所。

5.    數據通訊:

○     雖然 M8 通常用於訊號,但也有用於工業乙太網路的 D-coded M8 連接器,支援較低速的數據傳輸。不過,對於高速乙太網路,M12 M12 X-coded 更為常見。

6.    空間受限的應用:

○     由於其體積小巧,非常適合安裝在內部空間有限的機械設備中,提供靈活的佈線解決方案。

總之,M8 4-Pin 防水接頭是現代工業自動化中不可或缺的元件,它確保了設備在嚴苛環境下的可靠連接和穩定運行。

相關產品

M8 6P 公/母

M8 6P 公/母